CC-PO 1100/1 E

(Foto kan afwijken van het origineel)

Polijst-/Schuurmachine

CC-PO 1100/1 E

Artikelnummer: 2093264
EAN-nummer: 4006825614169
Merk: Einhell Car Classic
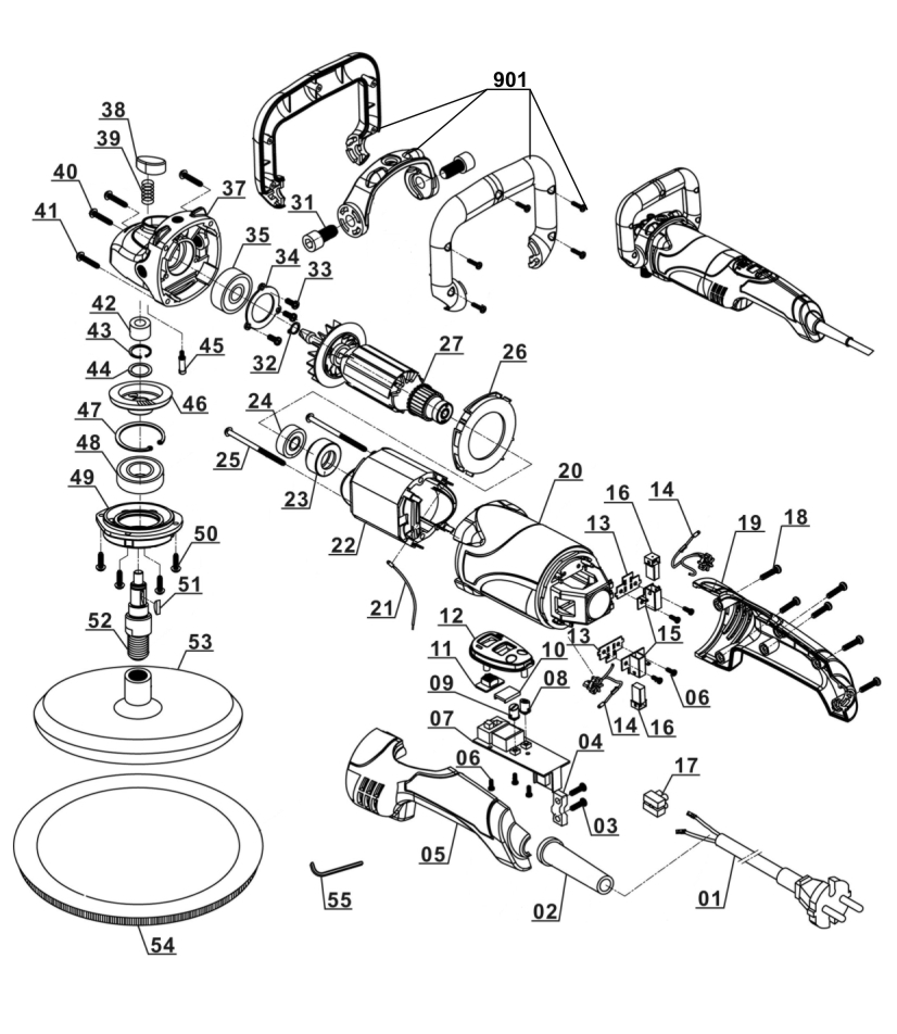
Identificatienummer
Selecteer het juiste identificatienummer van je apparaat
Houd er rekening mee dat u eerst uw identificatienummer hierboven moet selecteren om de lijstweergave en de exploded view van uw product te zien. U vindt uw identificatienummer op het typeplaatje naast het artikelnummer of in uw gebruiksaanwijzing.
Hier vind je gebruiksaanwijzingen en datasheets voor CC-PO 1100/1 E

Kun je de handleiding van je Einhell-apparaat niet meer vinden? Maak je niet ongerust. Alle instructies en documenten zijn online beschikbaar.

Geschikte accessoires voor CC-PO 1100/1 E

Specificaties

Feiten, cijfers en informatie voor Polijst-/Schuurmachine CC-PO 1100/1 E: hier vindt u gedetailleerde technische gegevens, evenals specifieke informatie over afmetingen, gewicht en verpakking van dit Einhell product.

Technische gegevens
Voeding 230 V | 50 Hz
Vermogen 1100 W
Stationair toerental 1000 min^-1 - 3500 min^-1
Diameter van de Schuurplaat 180 mm
Diameter van de Schuurschijf 180 mm

Foto's


 
 
 

Neem contact op met ons

Als u vragen heeft over producten of diensten van Einhell, van Einhell, neem dan contact op met ons. Wij helpen u graag.

 

Maandag - donderdag van 09:00 - 17:00 uur

Vrijdag van 09:00 - 15:00 uur

Tel.: +31 204990512

U kunt ook contact opnemen met ons via e-mail of het contactformulier.

In winkelwagentje

Artikel werd aan de winkelwagen toegevoegd

Fout

Er is een fout opgetreden