GE-SA 1433

(Abbildung kann vom Original abweichen)

Elektro-Vertikutierer-Lüfter

GE-SA 1433

Artikelnummer: 3420520
EAN-Nummer: 4006825552935
Marke: Einhell Expert
Identnummer
Bitte wähle die passende Identnummer deines Gerätes
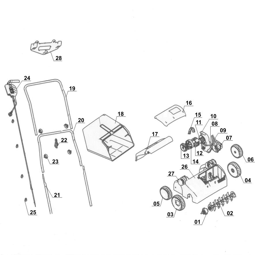
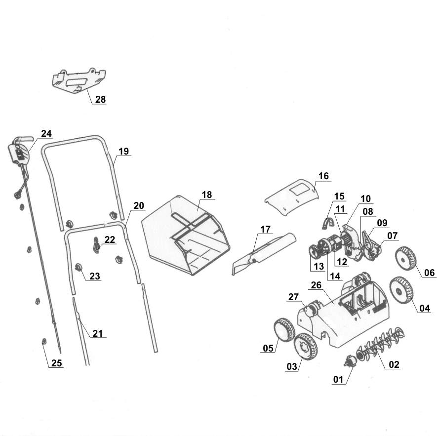
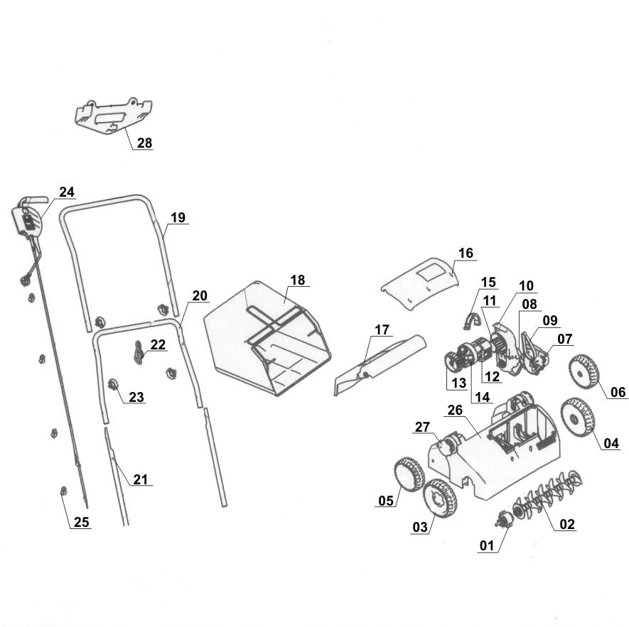
Bitte beachte, dass du oben zuerst deine Identnummer auswählen musst, um die Listenansicht und die Explosionszeichnung zu deinem Produkt zu sehen. Deine Identnummer findest du am besten auf dem Typenschild neben der Artikelnummer oder in deiner Betriebsanleitung.

Passt unter anderem für GE-SA 1433

Messerwalze für GE-SA 1433
Vertikutierer-Zubehör Messerwalze für GE-SA 1433 Artikelnummer 3421108
- +
29,95 € *
Inkl. MwSt. (19%) , zzgl. Versand

Lieferzeit 3-10 Werktage

Lüfterwalze für GE-SA 1433
Vertikutierer-Zubehör Lüfterwalze für GE-SA 1433 Artikelnummer 3421109
- +
29,95 € *
Inkl. MwSt. (19%) , zzgl. Versand

Lieferzeit 3-10 Werktage

Spezifikationen

Zahlen, Daten und Fakten für Elektro-Vertikutierer-Lüfter GE-SA 1433: Hier findest du die detaillierten technischen Daten, sowie genaue Angaben zu Größe, Gewicht und Verpackung dieses Einhell Produkts.

Technische Daten
Netzanschluss 230 V | 50 Hz
Leistung 1400 W
Arbeitsbreite 330 mm
Anzahl Vertikutiermesser 20 STK
Anzahl Lüfterkrallen 48 STK
Raddurchmesser vorne 175 mm
Raddurchmesser hinten 152 mm
Fangsackvolumen 28 L
Arbeitstiefe 3 Stufen | 9 mm

Bilder

 
 
 

Kontaktiere uns

Wende dich im Falle von Fragen zu Produkten oder zum Service von Einhell an uns - wir helfen dir gerne weiter.

 

Tel.: +49 9951 959 2019

Montag - Freitag von 8:00 Uhr - 18:00 Uhr

Samstag (Sommeröffnungszeit 01.04. - 30.09.) von 8:00 Uhr - 12:00 Uhr

Alternativ erreichst du uns auch per Email oder über unser Kontaktformular

Warenkorb anzeigen
Erfolgreich Warenkorb anzeigen

Artikel wurde dem Warenkorb hinzugefügt

Fehler

Es ist ein Fehler aufgetreten