(Abbildung kann vom Original abweichen)
Schlagbohrmaschine
Artikelnummer: 4258676
EAN-Nummer: 4006825583076
Marke: Alpha Tools
Bitte beachte, dass du oben zuerst deine Identnummer auswählen musst, um die Listenansicht und die Explosionszeichnung zu deinem Produkt zu sehen. Deine Identnummer findest du am besten auf dem Typenschild neben der Artikelnummer oder in deiner Betriebsanleitung.
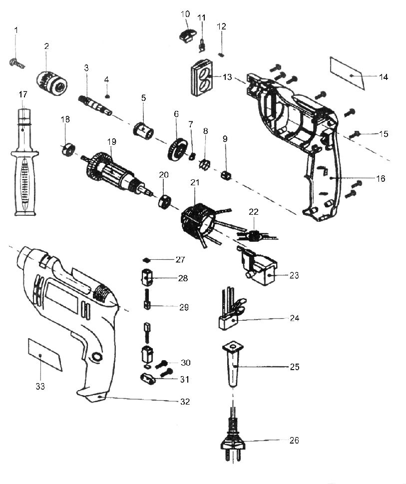
Ersatzteile für SBM 650 E kaufen über die Listenansicht oder über die Explosionszeichnung
Ersatzteilübersicht
Explosionszeichnung
Bedienungsanleitungen und Datenblätter für SBM 650 E
Du kannst die Bedienungsanleitung zu deinem Einhell Werkzeug nicht mehr finden? Kein Grund zur Sorge: Alle Anleitungen und Unterlagen sind online verfügbar.
Bedienungsanleitungen und Datenblätter für SBM 650 E
Du kannst die Bedienungsanleitung zu deinem Einhell Werkzeug nicht mehr finden? Kein Grund zur Sorge: Alle Anleitungen und Unterlagen sind online verfügbar.
Passt unter anderem für SBM 650 E
Spezifikationen
Zahlen, Daten und Fakten für Schlagbohrmaschine SBM 650 E: Hier findest du die detaillierten technischen Daten, sowie genaue Angaben zu Größe, Gewicht und Verpackung dieses Einhell Produkts.
| Technische Daten | |
|---|---|
| Netzanschluss | 230 V | 50 Hz |
| Leistung | 650 W |
| Anzahl Gänge | 1 |
| Leerlaufdrehzahl (Gang 1) | 0-2600 min^-1 |
| Schlagzahl (Gang 1) | 44800 min^-1 |
| Bohrfutter | 1.5 mm - 13 mm |
| Bohrleistung in Holz | 25 mm |
| Bohrleistung in Metall | 10 mm |
| Bohrleistung in Beton | 13 mm |