CC-PO 1100/1E; EX; BR; 220V

(A imagem pode ser diferente do original.)

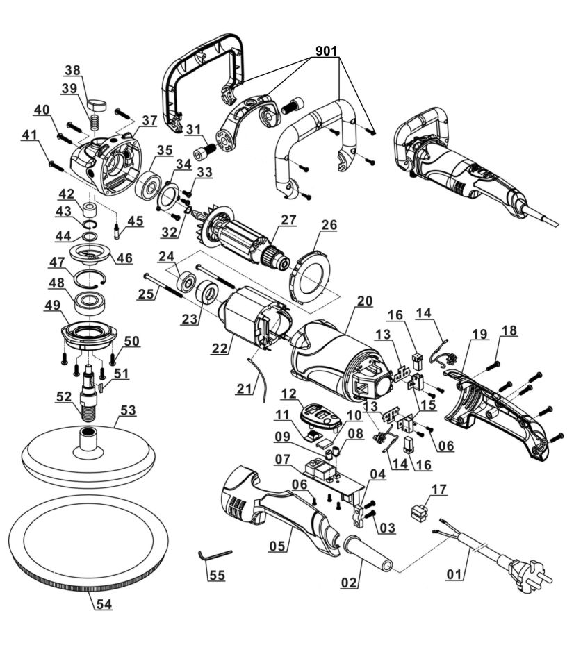
Retificadora e máquina de polir

CC-PO 1100/1E; EX; BR; 220V

Número do artigo: 2093271
Número EAN: 4006825643985
Marca: Einhell Car Classic
Número de identificação
Selecione o número de identificação correspondente do seu equipamento
Note que deve primeiro seleccionar o seu número de identificação acima para ver a vista de lista e a vista explodida do seu produto. Pode encontrar o seu número de identificação na placa de características ao lado do número do artigo ou no seu manual de instruções.
Aqui pode encontrar os manuais de utilização e as fichas de dados para CC-PO 1100/1E; EX; BR; 220V

Já não consegue encontrar o manual de utilização da sua ferramenta Einhell? Não se preocupe. Todos os manuais documentos estão disponíveis online.

Acessórios adequados para CC-PO 1100/1E; EX; BR; 220V

Especificações

Números, datas e factos para Retificadora e máquina de polir CC-PO 1100/1E; EX; BR; 220V: Aqui, poderá encontrar os dados técnicos detalhados, bem como o tamanho, peso e embalagem deste produto Einhell.

Dados técnicos
Mains supply 220 V | 60 Hz
Power 1100 W
Idle speed 1000 min^-1 - 3500 min^-1
Diameter of sanding plate 180 mm
Diameter of sanding disc 180 mm

Imagens


 
 
 

Contacte-nos

Se tiver algum questão acerca dos produtos ou dos serviços, entre em contacto connosco. Teremos todo o gosto em ajudá-lo.

 

Segunda a sexta-feira das 9h às 18h

Tel.: +351 220 917 500

Também nos pode contactar através do e-mail ou do formulário de contacto.

No carrinho de compras

O artigo foi adicionado ao carrinho

Erro

Ocorreu um erro