(Billedet kan afvige fra originalen)
Slangerulle
Varenummer: 4173732
EAN-nummer: 4006825412789
Mærke: Einhell Royal
Bemærk, at du først skal vælge ID-nummer øverst for at få vist listevisningen og eksplosionstengningen for dit produkt. ID-nummeret kan du med fordel finde på typeskiltet ved siden af varenummeret eller i betjeningsvejledningen.
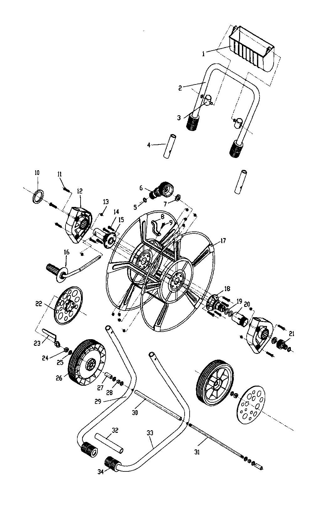
Køb reservedele til SWA 60 V ved hjælp af listevisningen eller ved hjælp af eksplosionstegningen
Reservedelsoversigt
Eksplosionstegning
Her finder du brugsanvisninger og datablade til SWA 60 V
Kan du ikke finde brugsanvisningen til dit Einhell-produkt? Det er ikke noget problem: Alle brugsanvisninger og dokumenter er tilgængelige online.
Her finder du brugsanvisninger og datablade til SWA 60 V
Kan du ikke finde brugsanvisningen til dit Einhell-produkt? Det er ikke noget problem: Alle brugsanvisninger og dokumenter er tilgængelige online.