(The image may differ from original product.)
Spareparts for TE-BS 8540 E displayed via list view or via explosion drawing
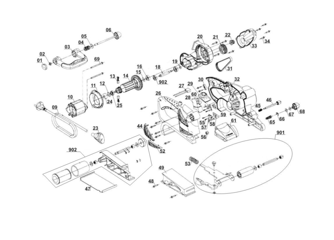
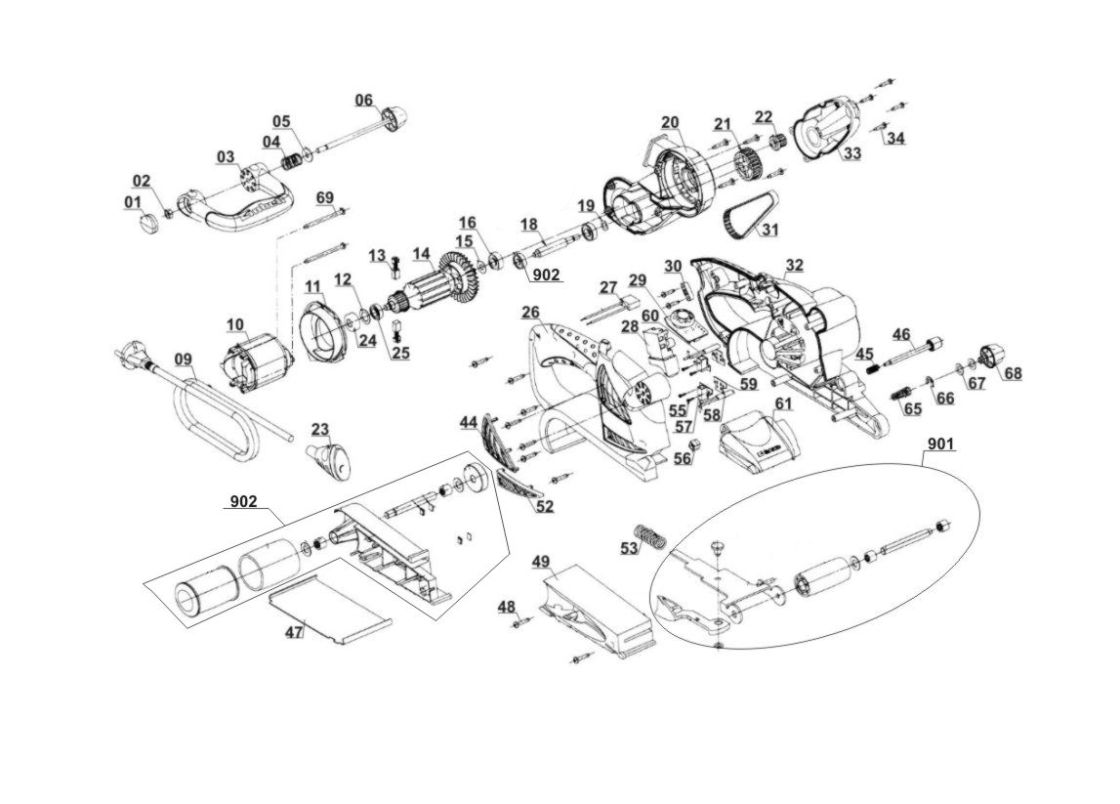
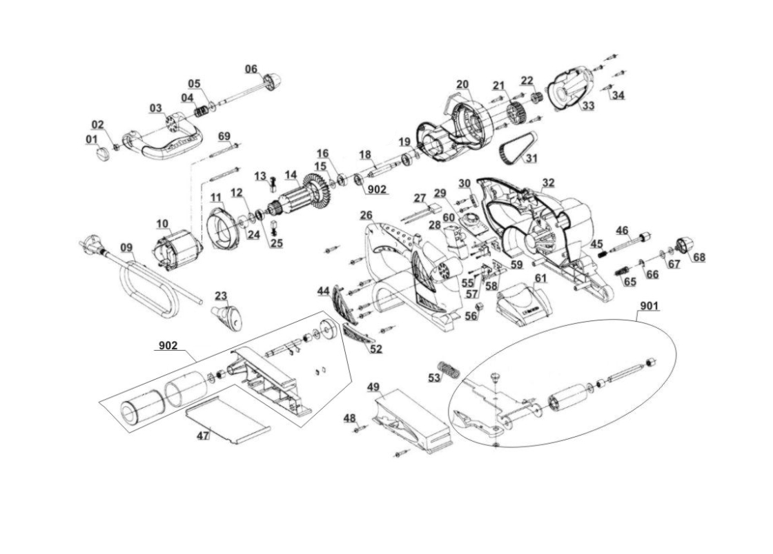
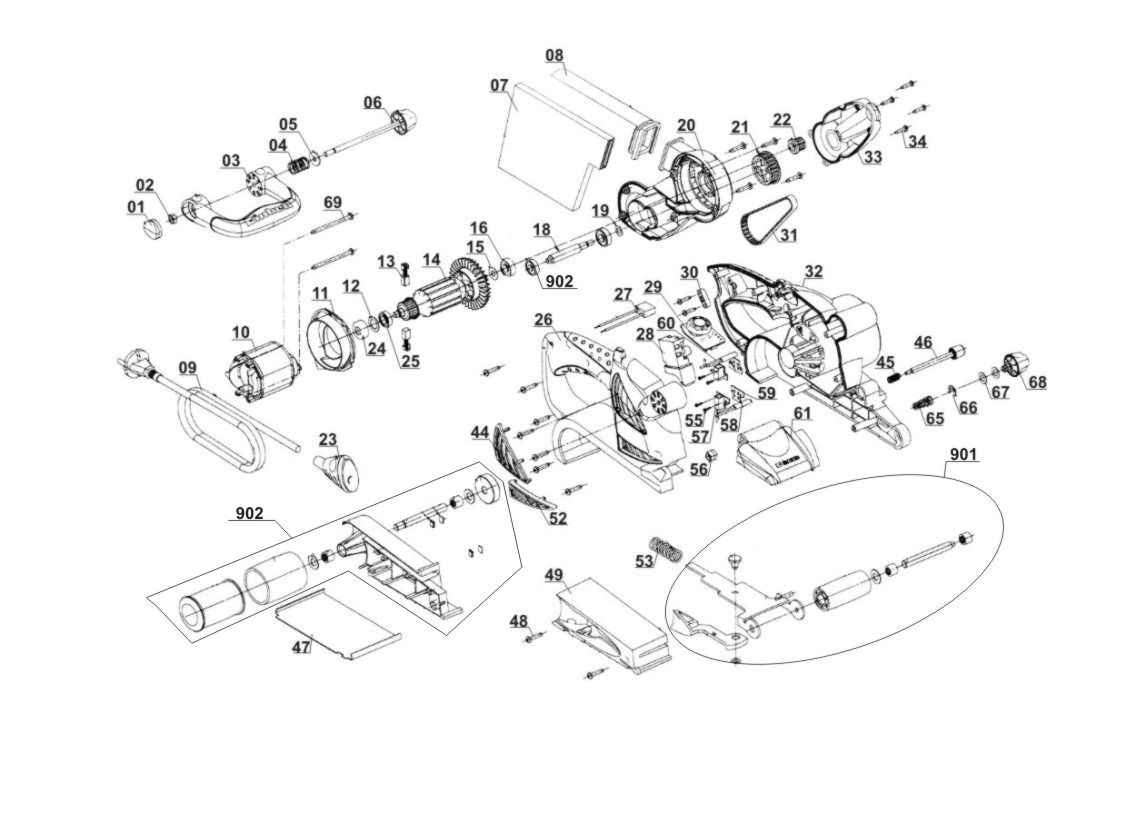
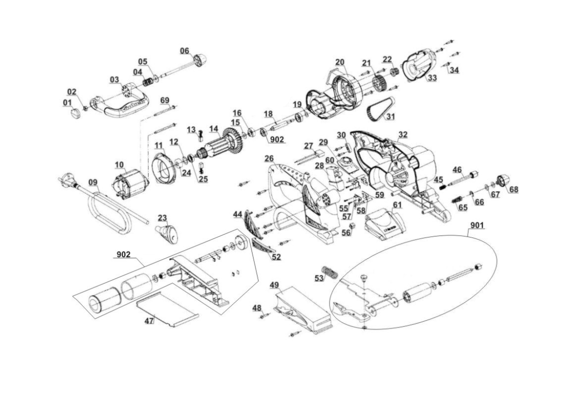
Sparepart overview
Explosiondrawing
Not able to find operating instructions for your Einhell tool? No worries: all our manuals and documents are also available online - it takes just a mouse click to download them.
Not able to find operating instructions for your Einhell tool? No worries: all our manuals and documents are also available online - it takes just a mouse click to download them.
Not able to find operating instructions for your Einhell tool? No worries: all our manuals and documents are also available online - it takes just a mouse click to download them.
Not able to find operating instructions for your Einhell tool? No worries: all our manuals and documents are also available online - it takes just a mouse click to download them.
Not able to find operating instructions for your Einhell tool? No worries: all our manuals and documents are also available online - it takes just a mouse click to download them.
Not able to find operating instructions for your Einhell tool? No worries: all our manuals and documents are also available online - it takes just a mouse click to download them.
Suitable accessories for TE-BS 8540 E
Specifications
Facts, figures and information for Belt Sander TE-BS 8540 E: here you will find detailed technical data, as well as specific information on dimensions, weight and packaging of this Einhell product.
| Technical info | |
|---|---|
| Mains supply | 230 V | 50 Hz |
| Power | 850 W |
| Idle speed | 300 m/min - 400 m/min |
| Sanding belt | 75 mm x 533 mm |
| Sanding area | 140 mm x 75 mm |